天津变频调速三相异步电动机

  • 产品分类: 变频调速三相异步电动机系列
  • 生产厂家: ky体育官网下载
  • 价格: 来电咨询
  • 添加时间: 19/12/24
  • 点击次数:  
  • 二 维 码:

    手机浏览

    更方便

产品详情
产品介绍:
一、概述
YTPS系列变频调速三相异步电动机与变频器组成的通用型无级调速系统,与其它无级调速方法相比,具有调速范围广、运行可靠、维修费低、体积小、效率高、节电效果好、速度调节精度高等特点,并可实现速度和转矩的闭环控制,是纺织、化工、冶金、煤炭、轻工、机械制造等行业的无级调速设备的理想动力源。
二、使用条件及说明
1、环境温度:-10℃~+40℃
2、相对湿度:≤90%
3、电压:≥50HZ 时为380V
4、电机输出特性:<50HZ,恒转矩输出
≥50HZ,恒功率输出
5、要求配用变频器,具有:过电压、过电流、欠电压、过热、过载等保护功能
6、电动机接线方式:3KW及以下为Y,其它功率为△
7、工作方式为:连续(S1)
8、电动机配用单独供电风机电机,其电源为三相380V50HZ或单相220V50HZ


三、型号说明

四、型号规格

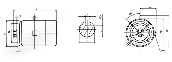
五、外形及安装尺寸
安装形式:B3


安装形式:B5


安装形式:B35


tags:天津变频调速三相异步电动机厂家,天津变频调速三相异步电动机价格
点击次数:   更新时间:19/12/24 15:31:12   【打印此页】   【关闭【返回上一页】
联系人:姜经理
联系电话:139-6930-5439
地址:山东省淄博市博山城东街道后峪工业园
Baidu
map