


手机浏览
更方便
Y2系列三相异步电动机是 Y 系列电机的更新换代产品,是全封闭自扇冷式鼠笼型三相异步电动机。其效率高,节能,起动转距大,并且提高了防护等级,降低了噪音,机构更加合理,外形新颖美观。Y2电机冷却方式为IC411,安装尺寸及功率等级完全符合IEC标准(与Y系列相同)。Y2系列三相异步电动机的防护等级为IP54,采用F级绝缘。额定电压为380V,额定频率为50HZ。3KW以下为Y接法,4KW以上为Δ接法。
该产品广泛应用于国民经济各个领域,如机床、水泵、风机、压缩机、运输机械、农业机械、食品机械等,也可在石油、化工、医药、矿山及其它环境条件比较恶劣的场合做原动机使用
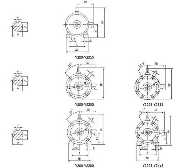
-> 安装方式:
B3 型 - - 机座有底脚,端盖上无凸缘。
B5 型 - - 机座无底脚,端盖上有大凸缘,轴伸在凸缘端。
B35型 - - 机座有底脚,端盖上有大凸缘,轴伸在凸缘端。
型号说明:
外形及安装尺寸:(单位:毫米 until:mm)

