


手机浏览
更方便
三、安装型式
1.机座无底脚,端盖有凸缘,凸缘有通孔。
2.机座无底脚,轴伸端无端盖,机座上有螺孔。
四、使用条件
环境温度:温度高为40℃,低为-15℃
海拔不超过1000m
电源电压380V频率50HZ
五、技术数据、外形及安装尺寸
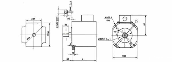
YLER-5-6与YLER-9.4-6外形及安装尺寸见表1、图1。
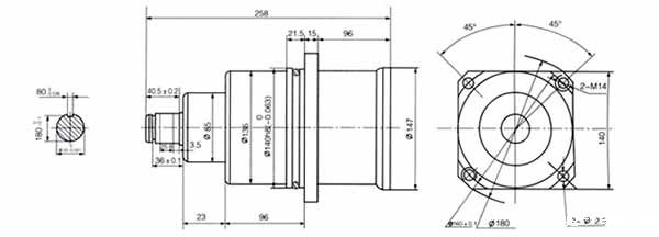
YLER-18-4A外形及安装尺寸见图2。
表1
单位mm
注:1)配用95×2.65“○”型密封圈。
2)配用120×2.65“○”型密封圈。
六、YLJ系列技术数据、外形及安装尺寸(图3、表2)

