YS系列三相异步电机

  • 产品分类: YS系列三相异步电机
  • 生产厂家: ky体育官网下载
  • 价格: 来电咨询
  • 添加时间: 19/12/24
  • 点击次数:  
  • 二 维 码:

    手机浏览

    更方便

产品详情
概述:
  YS系列三相异步电动机具有节能、噪音低、振动小、起动转矩大等特点。防护等级为IP44,采用B级绝缘。电压为220/380V,频率为50Hz,该产品广泛应用于各种中小 型机床,医疗机械,家用电器,电子仪器,食品机械等设备。
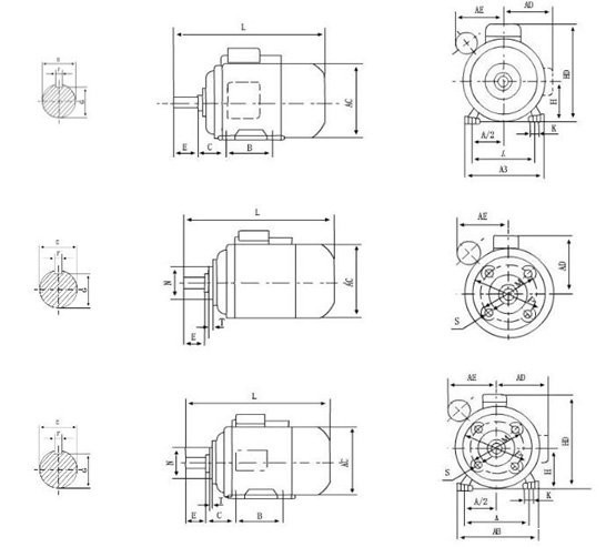
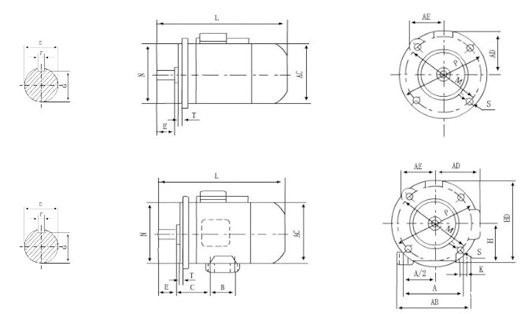
-> 三相异步电机安装方式:
 B3 型 - - 机座有底脚,端盖上无凸缘。
 B34型 - - 机座有底脚,端盖上有小凸缘,轴伸在凸缘端。
 B14型 - - 机座无底脚,端盖上有小凸缘,轴伸在凸缘端。
 B5 型 - - 机座无底脚,端盖上有大凸缘,轴伸在凸缘端。
 B35型 - - 机座有底脚,端盖上有大凸缘,轴伸在凸缘端。
-> 型号说明:



外形及安装尺寸:(单位:毫米 until:mm)







tags:YS系列三相异步电机厂家,YS系列三相异步电机价格
点击次数:   更新时间:19/12/24 15:38:12   【打印此页】   【关闭【返回上一页】
联系人:姜经理
联系电话:139-6930-5439
地址:山东省淄博市博山城东街道后峪工业园
Baidu
map